LDW 1003 M (29 PS)
LDW 1003 M
LDW 1003 M (29 PS)
Lombardini LDW 1003 M (29 PS)
Technische Daten
| Zylinder: | 3 Reihe |
| Hubraum: | 1.028 cm³ |
| Bohrung: | Ø 75 mm |
| Hub: | 77,6 mm |
| Drehzahl max.: | 3.600 U/min |
| Leistung an der Schwungscheibe: | 21,3 kW / 29 PS |
| Kompression: | 22,8:1 |
| Drehmoment max. bei 2.200 U/min: | 64,5 Nm |
| Leistung Wasserpumpe bei Volllast: | 25 l/min |
| Neigung längs bei Montage max.: | 15° |
| Neigung längs bei Fahrt max.: | 20° |
| Trockengewicht mit Wendegetriebe: | 115 kg (mit Technodrive TMC 40) |
| Trockengewicht mit Saildrive: | 141 kg |
| Lichtmaschine: | 14 V / 120 A |
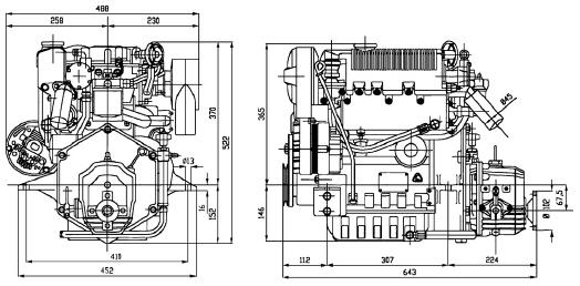
Abmessungen LDW 1003 M
Abmessungen LDW 1003 M (29 PS)
Abmessungen des Lombardini LDW 1003 M (29 PS)
Download-Bereich
- Preislisten
- Bedienungs- und Wartungsanleitung [7.548 KB]
- Boilerkit [1.349 KB]
- Elektrostopp-Anleitung [1.226 KB]
- Elektrische Schaltpläne [816 KB]



