Impressum Kontakt Startseite
Über uns Leistungen Lombardini Marine Motoren Nanni Marine Motoren Eberspächer-Bootsheizungen Rheingas Jobs Links

LDW 2204 SD (53 PS)

LDW 2204 SD

LDW 2204 SD (53 PS)

Lombardini LDW 2204 SD (53 PS)

Technische Daten

Zylinder: 4 Reihe
Hubraum: 2.199 cm³
Bohrung: Ø 88 mm
Hub: 90,4 mm
Drehzahl max.: 3.000 U/min
Leistung an der Schwungscheibe: 39 kW / 53 PS
Kompression: 22,0:1
Drehmoment max. bei 2.200 1/min: 120 Nm
Leistung Wasserpumpe bei Volllast: 35 l/min
Neigung längs bei Montage max.: 10°
Neigung längs bei Fahrt max.: 20°
Trockengewicht mit Wendegetriebe: 232 kg (mit Technodrive TMC 60)
Trockengewicht mit Saildrive: 257 kg
Lichtmaschine: 14 V 120 A

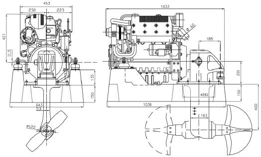
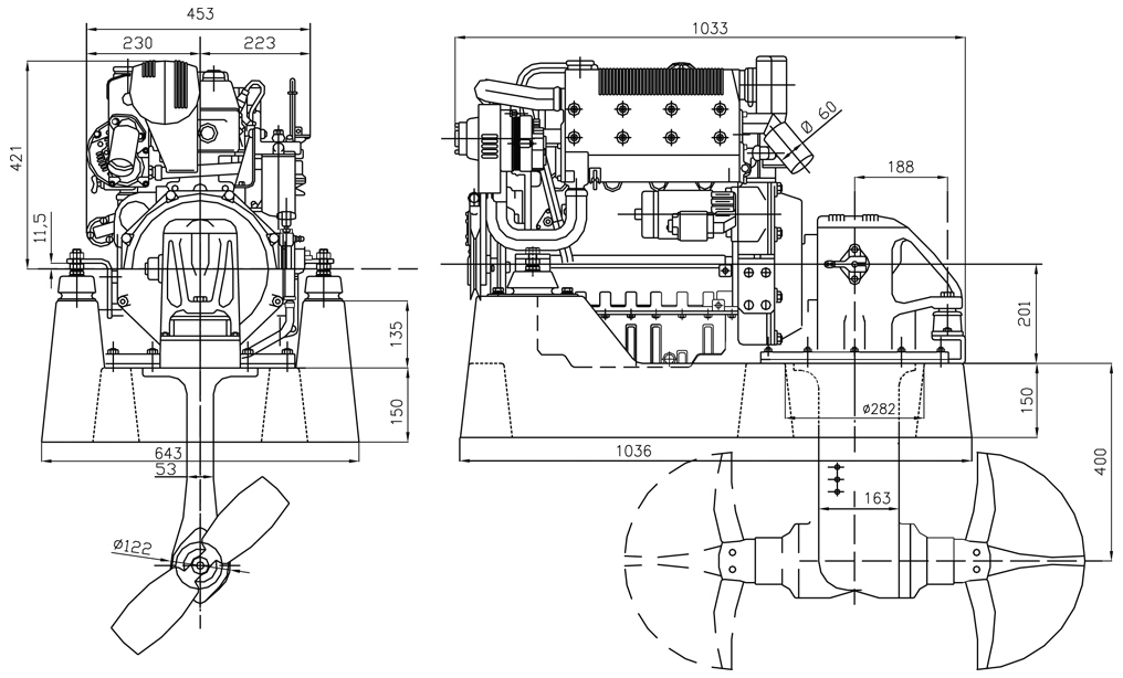
Abmessungen LDW 2204 SD

Abmessungen LDW 2204 SD (53 PS)

Abmessungen des Lombardini LDW 2204 SD (53 PS)

Download-Bereich