LDW 2204 MT (65 PS)
LDW 2204 MT
LDW 2204 MT (65 PS)
Lombardini LDW 2204 MT (65 PS)
Technische Daten
| Zylinder: | 4 Reihe |
| Hubraum: | 2.199 cm³ |
| Bohrung: | Ø 88 mm |
| Hub: | 90,4 mm |
| Drehzahl max.: | 2.800 U/min |
| Leistung an der Schwungscheibe: | 47,8 kW / 65 PS |
| Kompression: | 22,0:1 |
| Drehmoment max. bei 2.200 U/min: | 203 Nm |
| Leistung Wasserpumpe bei Volllast: | 64 l/min |
| Neigung längs bei Monatge max.: | 10° |
| Neigung längs bei Fahrt max.: | 20° |
| Trockengewicht mit Wendegetriebe: | 253 kg (mit Technodrive TMC 260) |
| Trockengewicht mit Saildrive: | 257 kg |
| Lichtmaschine: | 14 V / 120 A |
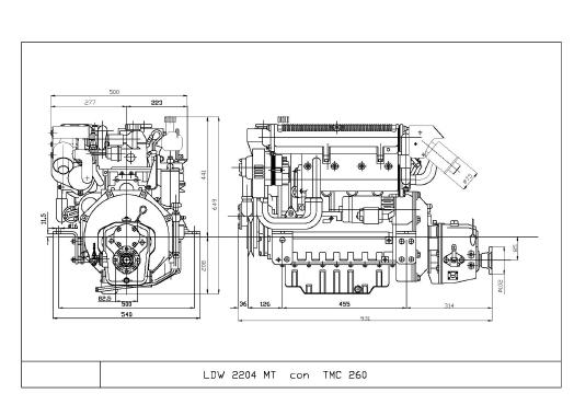
Abmessungen LDW 2204 MT
Abmessungen LDW 2204 MT (65 PS)
Abmessungen des Lombardini LDW 2204 MT (65 PS)
Download-Bereich
- Preisliste
- Bedienungs- und Wartungsanleitung [12.453 KB]
- Boilerkit [1.349 KB]
- Elektrostopp-Anleitung [1.226 KB]
- Elektrische Schaltpläne [816 KB]



