LDW 502 M (12,5 PS)
LDW 502 M
LDW 502 M (12,5 PS)
Lombardini LDW 502 M (12,5 PS)
Technische Daten
| Zylinder: | 2 Reihe |
| Hubraum: | 505 cm³ |
| Bohrung: | Ø 72 mm |
| Hub: | 62 mm |
| Drehzahl max.: | 3.600 U/min |
| Leistung an der Schwungscheibe: | 9,2 kW / 12,5 PS |
| Kompression: | 22,3 : 1 |
| Drehmoment max. bei 2.200 U/min.: | 25,5 Nm |
| Leistung Wasserpumpe bei Volllast: | 25 l/min |
| Neigung längs bei Montage max.: | 15° |
| Neigung längs bei Fahrt max.: | 20° |
| Trockengewicht mit Wendegetriebe: | 82 kg (mit Technodrive TMC 40) |
| Trockengewicht mit Saildrive: | 108 kg |
| Lichtmaschine: | 14 V / 40 A |
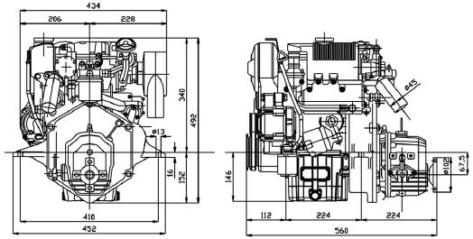
Abmessungen LDW 502 M
Download-Bereich
- Preisliste
- Bedienungs- und Wartungsanleitung [7.548 KB]
- Boilerkit [1.349 KB]
- Elektrostopp-Anleitung [1.226 KB]
- Elektrische Schaltpläne [816 KB]




